Внимание! Все цены в каталоге ориентировочные и не являются офертой.
Характеристики
        Название
                  
                    
                      Пневматическое комбинированное штоковое уплотнение
                    
                  
                Name
                  
                    
                      PNEUMATIC COMBI SEAL
                    
                  
                Типоразмер
                  
                    
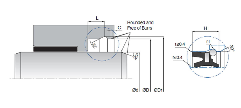
                      12-22-7/9
                    
                  
                Материал
                  
                    
                      NBR \ METAL
                    
                  
                Твёрдость
                  
                    
                      70
                    
                  
                Применение
                  
                    
                      Шток
                    
                  
                Рабочее Давление (Bar)(Max)
                  
                    
                      12
                    
                  
                Рабочая Температура (°C)(Min)
                  
                    
                      -30
                    
                  
                Рабочая Температура (°C)(Max)
                  
                    
                      +105
                    
                  
                Скорость Скольжения (Max)
                  
                    
                      1.0
                    
                  
                Ød
                  
                    
                      12
                    
                  
                ØD
                  
                    
                      22
                    
                  
                H
                  
                    
                      9
                    
                  
                L
                  
                    
                      7
                    
                  
                Наружный диаметр
                  
                    
                      22
                    
                  
                Внутренний диаметр
                  
                    
                      12
                    
                  
                Высота уплотнения
                  
                    
                      9
                    
                  
                
      
                    
                    
                    
                    
                    
                    
                    
                    